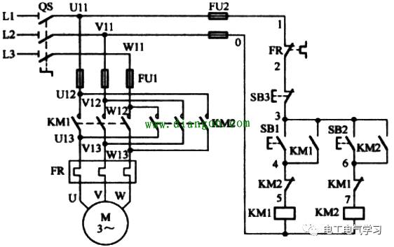
接触器连锁正反转控制线路的主电路中连接了两个接触器,正反转操作元器件放置在控制回路中,因此工作安全可靠。接触器连锁正反转控制线路如图1所示。

图1 接触器连锁正反转控制线路(电路图读者需要结合电气图形符号和电气文字符号来学习)
在图1中,主电路中连接了接触器KM1和接触器KM2,两个接触器主触点连接方式不同,KM1按L1-U、L2-V、L3-W方式连接,KM2按L1-W、L2-V、L3-U方式连接。
在工作时,接触器KM1、KM2主触点严禁同时闭合,否则会造成L1、L3两相电源直接短路。为了避免KM1、KM2主触点同时得电闭合,分别给其各自的线圈串接了对方的常闭辅助触点,当一个接触器的线圈得电时会使自己的主触点闭合,还会使自己的常闭触点断开,这样另一个接触器线圈就无法得电。接触器的这种相互制约关系称为接触器的连锁(也称互锁、联锁),实现联锁的常闭辅助触点称为连锁触点。
电动机正反转控制线路工作原理分析如下:
1、闭合电源开关QS
2、正转过程
①正转联锁控制
按下正转按钮速SB1→KM1线圈得电→KM1主触点闭合、KM1常开辅助触点闭合、KM1常闭辅助触点断开→KM1主触点闭合将L1、L2、L3三相电源分别供给电动机U、V、W端,电动机正转;KM1常开辅助触点闭合使得SB1松开后KM1线圈继续得电(接触器自锁);KM1常闭辅助触点断开切断KM2线圈的供电,使KM2主触点无法闭合,实现KM1、KM2之间的连锁。
②停止控制
按下停转按钮SB3→KM1线圈失电→KM1主触点断开、KM1常开辅助触点断开、KM1常闭辅助触点闭合→KM1主触点断开使电动机断电而停转。
3、反转过程
①反转连锁控制
按下反转按钮SB2→KM2线圈得电→KM2主触点闭合、KM2常开辅助触点闭合、KM2常闭辅助触点断开→KM2主触点闭合将L1、L2、L3三相电源分别供给电动机W、V、U端,电动机反转;KM2常开辅助触点闭合SB2松开后KM2线圈继续得电;KM2常闭辅助触点断开切断KM1线圈的供电,使KM1主触点无法闭合,实现KM1、KEM2之间的连锁。
②停止控制
按下停转按钮SB3→KM2线圈失电→KM2主触点断开、KM2常开辅助触点断开、KM2常闭辅助触点闭合→KM2主触点断开使电动机断电而停转。
4、断开电源开关QS
对于接触器连锁正反转控制线路,若将电动机由正转变成反转,需要先按下停止按钮让电动机停转,是接触器各触点复位,再按反转按钮让电动机反转。如果在正转时不按停止按钮,而直接按反转按钮,由于连锁的原因,反转接触器线圈无法得电而使控制无效。